立即注册找回密码

QQ登录

只需一步,快速开始

微信登录

微信扫一扫,快速登录

搜索
小桔灯网 门户 资讯中心 产品杂谈 查看内容

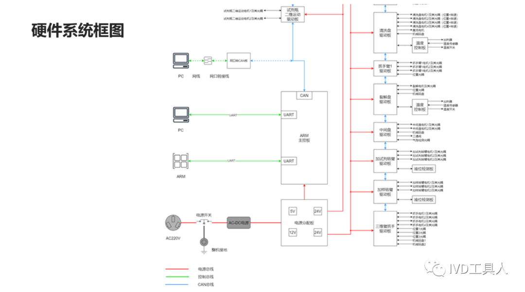
IVD仪器系统研发方案介绍!

2024-2-23 14:55| 编辑: 沙糖桔| 查看: 1899| 评论: 0|来源: IVD工具人 | 作者:雷总

摘要: IVD仪器系统研发方案介绍


声明:
1、凡本网注明“来源:小桔灯网”的所有作品,均为本网合法拥有版权或有权使用的作品,转载需联系授权。
2、凡本网注明“来源:XXX(非小桔灯网)”的作品,均转载自其它媒体,转载目的在于传递更多信息,并不代表本网赞同其观点和对其真实性负责。其版权归原作者所有,如有侵权请联系删除。
3、所有再转载者需自行获得原作者授权并注明来源。

最新评论

关闭

官方推荐 上一条 /3 下一条

客服中心 搜索 洽谈合作
返回顶部