数字PCR,发展至今有30年,全球相关企业超过30家。近3年各平台写数字PCR的文章,超过300篇。大致分成3类:一:纯技术,讲数字PCR的公式、图表、曲线,以及产品分析等,一般作者是技术研发;二:纯市场,讲做数字PCR的历史、发展格局、企业介绍和市场份额,一般作者是市场、媒体或行业分析师;三:纯应用,讲数字PCR的临床和科研应用,一般作者是市场或医生。技术、市场、应用,分别对应产品周期前、中、后三个阶段。自然也诞生了三种风格的文章。黄工想把三者融合,写篇不一样的。写数字PCR的文章这么多,怎么再写出新意?实话说,还挺难的。根本地,在于尊重事物本源前提下,有差异化的思路创新。二,全球范围内,研发数字PCR厂家有哪些,发展怎么样,时空分布如何?三,全球数字PCR技术路线、产品迭代、技术参数如何?四,数字PCR赛道的资本活跃状况、市场份额变化趋势?何为数字PCR?黄工的理解是:第三代PCR,微流控+实时荧光PCR。又因为最终检测是通过阴性/阳性信号读取,即0和1,计算机能识别的数字信号,它是一种绝对定量DNA检测方法,可以准确计数。从这个角度也可以理解为数字PCR。(以上为通俗解释)专业解释的话,数字PCR是将 DNA 或 cDNA 样品分割为许多单独、平行的 PCR 反应,每个反应孔作为一个独立的反应器,包含或不包含一个或多个拷贝的目标分子(DNA 模板),以此实现“单分子模板 PCR 扩增”,通过呈现阴性和阳性信号的数目和比例进行统计学分析,计算出原始样本中的模板拷贝数,实现精确定量。
2006年,第一款商业化数字PCR系统:Biomark HD,正式发布。至今接近20年了。第一代PCR系统,1987年开启商用;第二代PCR系统,1996年开启商用;第三代PCR,2006年开启商用。也就是说,平均每10年迭代一次。开启商用,指PCR系统解决了关键技术工艺问题,开始大规模销售。而技术的发明(概念提出),则要早几年。一至三代PCR的技术发明,分别是1983年、1992年、1999年。PCR技术的诞生到产业化,花了4到7年。

图:数字PCR技术发展历程
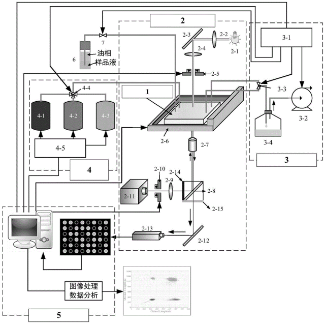
数字PCR反应过程,一般包括:样本制备、液滴制备、PCR扩增、荧光信号检测分析。从反应过程看,数字PCR的系统构成,核心有3个:液路系统、温控系统和光路系统。液路系统,主要解决微滴制备的问题。一般有几种方式,油液/气液异相分离、规律振动分离、微流控物理分隔。温控系统,主要解决PCR反应升降温问题。光路系统,主要解决光源激发、光信号收集转换和分析问题。
图:重庆大学数字PCR系统(专利:CN202010863328)
数字PCR技术路线
技术路线,主要是从微滴制备形式这个角度分的。目前主要有2个方向。一是,微/液滴式数字 PCR(droplet digital PCR,ddPCR),本质上是用油相分割液相样本,不管用什么工具、载体、材料、形式、动作。二是,芯片式数字PCR(chip digital PCR,cdPCR),本质上是直接将待测样本和试剂,直接分装注入成型的、固定体积的芯片腔室中,形成一个个微滴。这两条路线各有优劣,最终还是得看用户的选择,用时间证明。
图:微滴式技术路线,代表是Bio Rad
图:芯片式技术路线,代表是Thermo Fisher数字PCR系统,不是只有一台设备。在数字PCR一体机面世前,整个系统都是由3~4台设备组成。一般包括:液滴制备仪、PCR循环扩增仪、微孔板封膜仪、液滴读取仪(生物芯片分析/阅读仪)等。2006年第一台数字PCR商用以来17年,国内外已发布不少于37款产品。从新品发布时间轴来看,全球数字PCR赛道,从2016年以后进入活跃状态,新品发布频繁。最高在2020年一年时间里,发布了7款新品。这些数据统计,肯定有遗漏。国外除一些龙头企业外,初创企业的数据和信息,地缘差异、信息差异,会遗漏一些。还有一些大学、研究所也有新产品,但能检索的信息有限,也会对上图产生影响。总的说,这张时间轴不影响我们看总体走势。从第一台数字PCR到大规模商用,这个赛道用了10年。
检索数字PCR专利,发现有几千份,许多高校、研究所、医院等单位,都纷纷开展数字PCR仪的研究开发,但真正推出商用产品的不多,这里仅列举一些知名企业。总的看:数字PCR系统,是由分立式转向一体机,微滴式和芯片式技术路线的企业数量相当。从产品发布时间线角度,来捋一下近20年数字PCR产品的发布历程。2006年,Fluidgm :数字PCR系统Biomark HD
2011年,伯乐Bio-Rad :微滴式数字 PCR 系统QX100
2012年 ,RainDance :数字 PCR 系统Raindrop
2013年,伯乐Bio-Rad :微滴式数字PCR 系统 QX200
2013年,赛默飞:数字PCR系统QuantStudio 3D
2016年,法国Stilla :数字PCR系统Nacia
2017年,上海小海龟:芯片式数字PCR BioDigital•华
2017年,广州永诺生物:微滴式数字PCR仪Micro Drop
2017年,南京科维思:生物芯片阅读仪IA-1
2017年,北京泛生子:生物芯片阅读仪GENETRON 3D
2017年,北京诺禾致源:生物芯片阅读仪Digital PCR NG
2018年,北京新羿生物:微液滴数字PCR系统TD1
2018年,北京卡尤迪:数字PCR产品DX100
2018年,上海臻准生物:数字PCR系统Accu One-100
2018年,杭州领航基因:芯片数字PCR系统C2400
2019年,广州永诺生物:数字PCR系统MicroDrop-100
2019年,北京达微生物:数字PCR一体机Osci Drop
2019年,北京致雨生物:数字PCR系统ZY/VD-100
2020年,伯乐Bio-Rad:数字PCR一体机系统QX ONE
2020年 ,苏州锐讯生物:RainSure DropDx-2044 系统
2020年,凯杰QIAGEN:数字PCR一体机QIAcuity
2020年,苏州思纳福:数字PCR一体机Sniper DQ24
2020年,深圳博瑞生物:数字PCR平台DropXpert FD 640
2020年,杭州领航基因:数字PCR系统AP10+AD16
2020年,上海臻准生物:数字PCR系统Accu One-200
2021年,赛默飞Thermo Fisher:数字PCR一体机QuantStudio AbsoluteQ
2021年,罗氏Roche:数字PCR系统 Digital Lightcycler
2021年,苏州艾普拜:数字PCR系统Naica CN
2021年,广州永诺生物:数字PCR系统MicroDrop-20
2021年,杭州领航基因:生物芯片阅读仪CS系列
2022年,深圳中科先见:数字PCR一体机芯弃疾®JX-P
2022年,深圳博瑞生物:液滴数字PCR平台DropXpert S6
2022年,浙江达普生物:星云数字PCR系统 Nebula
2022年,上海臻准生物:数字PCR AccuMini系列
2023年, 伯乐Bio-Rad:微滴式数字PCR系统QX600
2023年,苏州锐讯生物:数字PCR一体机:RS32系列
2023年,上海小海龟:数字PCR一体机SCI Digital
(以上信息,来源于各家企业公众号、官网,以及业内人士撰写的文章。整理如有错漏,欢迎留言指正。)
全球数字PCR版图
数字PCR技术,发源于美国,最后在欧美,近年来特别是在中国,得到极大的发展推动。这有政策层面因素,也有资本驱动,科研和临床客户的需求驱动,也占一部分。从全球数字PCR市场看,北美依然是数字PCR最大的主导市场,其次是亚洲和欧洲,非洲和南美增长乏力。根据知名机构alliedmarketresearch的调研,全球数字 PCR 市场 2020 年价值 5.0882 亿美元,预计到 2030 年将达到 13.053 亿美元,从 2021 年到 2030 年以 8.6% 的复合年增长率增长。图:数字PCR市场增长区域(绿色:高,黄色:中,红色:低)国内数字PCR版图,大致可以参考下图。国内数字PCR企业不少于18家,北京有5家,江苏4家,广东3家,浙江3家,上海2家。北京其中1家,也可以说是四川的。
数字PCR自诞生之日起,便备受资本青睐。既有生命科学巨头并购整合小企业,快速获得技术、人才和市场。也有资本扶持创新企业,加速技术迭代,以对抗巨头的竞争。总的来说,最近10多年,全球数字PCR赛道发生投融资并购活动超过40起,总的交易金额超过1000亿人民币。值得注意的是,国内上市IVD企业中,有4家已对创新数字PCR企业,完成投资并购。这分别是迈克生物-达微生物,100%控股,即全资子公司;金域医学-卡尤迪;新产业-博瑞生物,占股17.2%;安必平-达普生物。2011年,Bio Rad 斥资1.62亿美元收购 QuantaLife。2013年,Thermo Fisher收购Applied Biosystems ;斥资136亿美元,同时继承22亿美元债务,收购Life Technologies。2014年,卡尤迪完成A轮融资3000万元,赛富亚洲领投。2015年,卡尤迪完成B轮融资8000万元,北极光创投领投,赛富亚洲、联想之星跟投。2016年,臻准生物完成战略融资数千万元,安龙基金领投。2017年,Bio Rad 收购 Rain Dance Technologies。2017年,锐讯生物完成天使轮融资百万美元,真格基金和火山石资本领投。 2018年,StillaTechnologies获得Illumina Ventures的A轮投资1600万欧元(约1亿人民币)。2018年,锐讯生物完成Pre-A轮融资1300万元,真格基金、明势资本和火山石资本领投。2018年,博瑞生物完成天使轮融资数千万元人民币。
2019年,QIAGEN 收购 美国Formulatrix。2019年,博瑞生物完成Pre-A轮融资数千万元人民币,宝创生物(占股10.1%)和元禾原点领投。2019年,锐讯生物完成A轮融资数千万元人民币,元生创投领投,老股东明势资本和火山石资本跟投。2020年,Illumina Ventures投资StillaTechnologies 2000万欧元(约1.5亿人民币)。2020年,迈克生物出资500万元人民币认购达微生物3.4722%股权。2020年,卡尤迪完成D轮融资近6亿元人民币,高瓴创投领投,金阖资本战略投资,惠远资本和峰瑞资本跟投。2020年,达普生物完成2次天使轮融资累计2000万元。2021年,达普生物连续完成Pre-A和A轮融资,信正资本、玖菲特资本与德同资本投资。2021年,Thermo Fisher 收购 Combinati。2021年,博瑞生物完成战略融资,新产业(新蔚资本)战略投资,占股17.2%。2021年,Bio Rad 收购 Dropwork。2021年,锐讯生物完成B1轮融资数千万元人民币,清科资管领投,凯泰资本跟投,老股东明势资本和火山石资本持续加码。2021年,新羿生物完成B轮融资1.5亿人民币。礼来亚洲基金领投,华创资本、高瓴创投及老股东青岛禹峰、重远汇晨跟投。2021年,思纳福完成B轮融资近2亿元人民币,惠每资本领投,杏泽资本、黄埔医药基金跟投,老股东凯风创投、雅惠投资、荷塘资本持续加码。2021年,领航基因完成A+轮融资1.2亿元人民币,分享投资领投,浦信资本跟投,老股东持续加码。2022年,迈克生物以总价款1.66 亿元收购达微生物96.5278%股权,至此已收购100%股权。2022年,臻准生物完成A轮融资超1亿元人民币,惠远资本独家投资。2022年,锐讯生物完成C1轮融资数千万元人民币,乾道基金领投。2022年,达普生物完成战略融资数千万元人民币,安必平战略投资。大江大河有发源地,技术也是如此。我们来盘一盘,国内外数字PCR企业中,那些领军人物,都有怎样的背景和履历,他们为何选择了数字PCR赛道创业。下边,是12位自研数字PCR领军人物的采访或相关文章。以下按姓氏首字母排序,从A到Z。非自研数字PCR企业的创始人,专访文章就不放链接了。从这12篇专访/专业文章中,能感受到这些大佬们,对数字PCR赛道未来趋势的精准把握,对国产科学仪器事业崛起的执着。从这些过往点滴中,能学到许多,看完后真的受益匪浅。