一、电磁兼容概念
电磁兼容EMC(Electromagnetic compatibility)
对于设备或系统的性能指标来说, 直译为“电磁兼容性” ;
但作为一门学科来说, 应该译为“电磁兼容”。
国家标准GB/T4365-1995《电磁兼容术语》对电磁兼容所下的定义为“设备或 系统在其电磁环境中能正常工作且不对该环境中任何事物构成不能承受的电磁骚扰的能力。”
简单的说,就是抗干扰的能力和对外骚扰的程度。
电磁兼容是研究在有限的空间、有限的时间、有限的频谱资源条件下,各种用电设备(分系统、系统;广义的还包括生物体)可以共存并不致引起降级的一门科学。
二、基本概念
Electromagnetic compatibility(EMC) 电磁相容—电子产品能够在一电磁环境中工作而不会降低功能或损害之能力;
Electromagnetic interference(EMI) 电磁干扰—电子产品之电磁能量经由传导或辐射之方式传播出去的过程;由干扰源、耦合通道及被干扰接收机三要素组成 。
Radio frequency(RF)无线电频率,射頻—通訊所用的频率范围,大约是10kHz 到100GHz。这些能量可以是有意产生的,如无限电传发射器,或者是被电子产品无意产生的;RF能量经由两种模式传播:
Radiated emissions(RE)—此种RF 能量的电磁场经由媒介而传输;RF 能量一般在自由空间(free space)內传播,然而,其他种类也有可能发生。
Conducted emissions(CE)—此种RF 能量的电磁场经由道题媒介而传播,一般是经由电线或内部连接电缆;Line Conducted interference(LCI)指的是在电源线上的RF 能量。
Susceptibility 容忍度,耐受性—相对的测量产品暴露在EMI环境中混乱或损害的程度。
Immunity 免疫力—一相对的测量产品承受EMI的能力;
Electrical overstress(EOS)电子过度高压—当遇到高压突波产品承受到的损坏或只是功能丧失;EOS包括雷击以及静电放电的事件。
Electrostatic discharge(ESD)静电放电—一种高电压脉波,可能使被影响的产品损坏或者失去功能虽然雷击也是一种高电压脉波,ESD一般指的是较少安培数,且由人体所粗触发引起的;一般情况下也将雷击视为ESD类别,因其保护方式很相似,只是大小的分别而已。
Radiated susceptibility(RS)辐射耐受性—产品承受经由自由空间传播而来的EMI的能力。
Conducted susceptibility(CS)传导耐受性—产品承受经外接电缆,电源线以及其他I/O cable 传播而来的电磁能量的能力;
Containment 封闭、包围—防止RF 能量逸出一个封闭物体(enclosure),一般是以金属屏蔽(Faraday cage),或是用塑胶外壳再加以导电涂料。由相互原则,我们也可视containment 为防止RF 能量进入enclosure。
Suppression 压制—经由设计以在源头端降低或消除RF 能量,以使其不用依赖如金属机壳等二阶方法。
三、电磁干扰源种类
电磁干扰源种类繁多,可按不同的方法进行分类。对测量环境中直接影响测量及测量设备的 干扰来源可分为自然干扰源和人为干扰源。
自然干扰源包括:
(1)大气噪声干扰:如雷电产生的火花放电、属于脉冲宽带干扰,其覆盖从数Hz到100MHz以上.传播的距离相当远。
(2)太阳噪声干扰:指太阳黑子的辐射噪声。在太阳黑子活动期.黑子的爆发.可产生比平稳期高数千倍的强烈噪声.致使通信中断。
(3)宁宙噪声:指来自宇宙天体的噪声。
(4)静电放电:人体、设备上所积累的静电电压可高达几万伏直到几十万伙.常以电晕或火花方式放掉,称为静电放电。静电放电产生强大的瞬间电流和电磁脉冲,会导至静电敏感器件及设备的损坏。静电放电属脉冲宽带干扰、频谱成分从直流一直连续剑中频频段。
人为干扰源指而电气电子设备和其他人工装置产生的电磁干扰。这里所说的人为干扰源都是指无意识的干扰。至于为了达到某种目的而有意施放的干扰,如电子对抗等不属于本文讨论范围。
任何电子电气设备都可能产生人为干扰。在此,只是提到一些常见的干扰测量环境的干扰源。
(1)无线电发射设备:包括移动通信系统、广播、电视、雷达、导航及无线电接力通信系统.如微波接力,卫星通信等。因发射的功率大,其基波信号可产生功能性干扰;谐波及乱真发射构成非功能性的无用信号干扰。
(2)工业、科学、医疗(ISM)设备:如感应加热设备、高频电焊机、X光机、高频理疗设备等.强大的输出功率除通过空间辐射干扰外,还通过工频电力网干扰远方的设备。
(3)电力设备:包括伺服电机、电钻、继电器、电梯等设备通、断产生的电流剧变及伴随的电火花成为干扰源:电力系统中的非线性负载(如电弧炉等)、 间断电源(UPS)等同态电源转换设备产生大量谐波涌入电网成为干扰源:日光灯等照明设备也产生辉光放电噪声干扰。
(4)汽车、内燃机点火系统:汽车点火系统产生宽带干扰,从几百千赫到几百兆赫干扰强度几乎不变。
(5)电网干扰:指由50Hz交流电网强大的电磁场和大地漏电流产生的干扰,以及高压输电线的电晕和绝缘断裂等接触不良产生的微弧和受污染导体表面的电火花。
(6)高速数字电子设备:包括计算机和相关设备。
上述电磁干扰源就产生的机理而言,有:放电噪声(雷电、静电放电、辉光放电等).接触噪声, 电路的过渡现象,电磁波反射现象等。传输线中电磁波反射足高频测量与数字设备必须认真对待的干扰源。
四、电磁干扰的耦合通道
电磁干扰中的重要要素是耦合通道,在许多情况下,要找到真正的干扰源很难,而被干扰接收机也很难加以改进,此时最可行的解决方法是在耦合通道中对干扰的耦合进行充分的衰减 。
五、耦合通道

电磁干扰的传输途径分两种方式:传导传输方式和辐射传输方式,从被干扰的敏感器角度来看,干扰的耦合可分为传导耦合和辐射耦合两类。

六、传导耦合的种类
1.电阻性耦合

干扰源通过导线的电阻Rt直接耦合到接收器上。设Us为干扰电压,Rs为干扰源内阻,则接收器上的电压为:

2.电容性耦合
电路A和电路B通过两根导线引起的电容性耦合的情况。又称为电场耦合 。

在射频电路,多根导线的电缆中, 一根导线上的干扰可以耦合到其它所有的导线上,因此高频信号线都要加以屏蔽。在高频放大三极管的管脚间最容易产生分布电容耦合,应尽量缩短管脚的引线长度。
3.电感性耦合
当一个电路中流过变化电流时,在它周围的空间就会产生变化的磁场,这个变化的磁场又在相邻回路中产生感应电压,这样就把一个干扰电压耦合到接收电路中去了 。电感耦合也称磁场耦合。

七、典型传导耦合的分析
1.公共地阻抗耦合

图中Us为干扰源电压,Rs为干扰源内阻,RL为干扰源回路的负载,Zst为干扰源回路的连接线阻抗,Rc1和Rc2是被干扰回路的内阻和负载,Zct是被干扰回路的连线阻抗。Zg为共地阻抗。
在干扰源回路中,一般有RS+ZST+RL>>Rg,因此可得到回路电流I1为:

I1在共地阻抗上引起干扰电压Ug为:

共地阻抗的电压降Ug在接收回路中引起负载RC2上附加的干扰电压△U:
2.共电源耦合
可见任一负载电路中产生干扰信号,都会通过电源内阻耦合传导到其他负载电路中,由上公式可见,如果R0=0,即电源无内阻,干扰就不会传导,事实上电源内阻不可能为零。
八、电磁兼容的国际标准及国家标准
有关电磁兼容的国际标准有很多,有美军标MIL/ANSIC/AIR、国际无线电干扰特别委员会(C.I.S.P.R)标准、美联邦标准FED/FCC、德国标准DIN/VDE、加掌大标准C、英国标准BS、ISO、CEN、IEC等,目前在中国通用的国家标准是GB/T 17626、GB9254和GB6833,它们与国际电工委员会标准IEC 61000对应。
九、EMC测试项目

静电放电抗扰度试验考核设备的抗静电能力,对设备外壳、人手能够接触到的部位等施加静电干扰,考察设备能否正常工作。有相应的级别要求和试验方法。
电快速瞬变脉冲群抗扰度试验考核设备的抗脉冲干扰能力,对设备电源施加有规律的脉冲干扰,考察设备能否正常工作。有相应的级别要求和试验方法。
浪涌(冲击)抗扰度试验考察设备的抗浪涌能力,对设备电源施加高能量的脉冲干扰,考察设备能否正常工作。有相应的级别要求和试验方法。一般用于考核电源。
辐射骚扰度试验考察设备的对外辐射干扰程度,在微波暗室里面采用标准的天线接收设备工作时的辐射信号。有相应的级别要求和试验方法。
传导骚扰度试验考察设备的对外传导干扰程度,在屏蔽室里面采用标准的仪器接收设备工作时从电源线传导出去的干扰信号。有相应的级别要求和试验方法。
十、电磁兼容性措施
设备的电磁兼容性设计包括如下步骤:
1.元器件选择及电路设计
2.滤波技术应用
3.接地设计
4.屏蔽技术应用
5.电路布局和设备布局规划
6.导线的分类和敷设
7.元器件选择及电路设计
电磁兼容的源头要做好元器件的选择及电路设计,因为元器件既是干扰源也是被干扰接收机,降低干扰源对外的电磁干扰幅度,和选择具有合适性价比的抗电磁干扰能力较强的元器件,是最有效的提高电磁兼容性能的办法。
十一、滤波技术应用
在电源中的干扰分为共模干扰和差模干扰两种,电源线的相线和地线间存在的干扰为共模干扰,如图中的U1;中线和地线间存在的干扰也有共模干扰,如U2;而在线相与中线之间存在的干扰称为差模干扰,如U3。差模干扰电流在相线和中线中大小相等,相位相反。共模干扰在相线和中线中同时存在,大小相等,相位也相同。

实际上,在电源线中往往同时存在共模和差模干扰,因此实用的电源滤波器是由共模滤波电路和差模滤波电路综合构成,如图所示:

十二、接地设计
接地原意指与真正的大地连接以提供雷击放电的通路,例如避雷针的一端埋入大地,后来成为电气设备和电力设施提供漏电保护的放电通路的技术措施。
现在接地的含义已经延伸,它一般指连接到一个作为参考电位点(或面)的良导体的技术行为,其中的“地”不一定为实际的大地,而是泛指电路和系统的某部分金属导电板线,它可以作为系统中各电路任何电信号的公共电位参考点,理想的接地导体是一个零电阻的实体,任何电流在接地导体中流过都不应该产生电压降,各接地点之间不应该存在电位,但是,如果接地不当就会引入电磁干扰。
一般把电路按信号特性分成四类,分别接地,形成四个独立的接地系统,每个“地”系统可能采用不同的接地方式。
第一类:是敏感信号和小信号“地”系统。包括低电平电路、弱信号检测电路、传感器输入电路、前级放大电路、混频器等,由于这些电路工作电平低,信号幅度弱小,特别容易受到干扰而失效或降级,因此它们的地线应避免混杂于其他电路中。
第二类:是不敏感的信号和大信号电路的地线系统。它包括高电平电路、末级放大器、大功率电路等。因为在这些电路中工作电流都比较大,地线系统中的电流也比较大,因此必须和小信号电路的地线分开设置,否则通过地线的耦合作用必然对小信号电路造成干扰,使电路不能正常工作。
第三类:是干扰源设备地系统,它包括电动机、继电器、接触器等。由于这类元件在工作时产生火花或冲击电流往往对电子电路产生严重的干扰,除了要采取屏蔽隔离技术外,地线必须和电子电路分开设置。
第四类:是金属构件地。它包括机壳、底板、机门、面板等。为了防止发生人身触电事故、雷击事故、外界电磁场的干扰以及磨擦产生静电等,必须将机壳等接地。
十三、接地系统分类原理

1.单点接地系统
这种情况下,各设备(或各支路)的地电位仅与各自的地电流I及地线有关,不受其他电路影响,对防止各电路之间的干扰及地回路干扰是很有效的。特别是当电路频率较低、连接导线比较短的场合,经常采用这种接地方式。它的缺点是不适合高频电路。

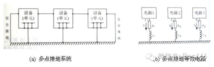
2.多点接地系统
多点接地是指设备中各单元电路直接连接到地线上,有多个接地点,如图所示。对于高频电路,为了降低地线阻抗,一般均采用多点接地方式,图中所用的地线分别连至最近的低阻抗地线上。地线系统一般是与机壳相连的扁粗金属导体或机壳本身,其感抗很小。
多点接地系统的优点是电路构成比单点接地简单,而且由于接地线短,接地线上可能出现的高频驻波现象显著减小。但由于多点接地后,设备内部会增加许多地线回路,它们对较低电平的电路会引起干扰,带来不良影响。

3.混合接地系统
在有些用电设备中,既有高频部分又有低频部分。此时应分别对待,低频电路采用单点接地,高频电路需多点接地。这种接地体系称为混合接地系统,如图所示。
实际用电设备的情况比较复杂,很难通过某一简单的接地方式解决问题,因此混合接地系统应用更为普遍。

十四、屏蔽技术应用
1、静电屏蔽
设带正电荷的导体A,若其邻近有导体B,则导体B将会由于静电感应而带负电,如图所示。
如果用金属屏蔽体将导体A包围起来,此时在屏蔽体的内侧就感应出与导体A等量的负电荷,在外侧出现等量的正电荷,电力线将继续到达B,而使感应电场更为复杂。如若将金属屏蔽体接地,使屏蔽体的外侧电场消失,导体B就不会受到感应干扰。这就是静电屏蔽原理。
静电屏蔽应具有两个基本要点:完善的屏蔽和良好的接地。

2、磁屏蔽
磁屏蔽是用来隔离磁场耦合的措施,在任何载流导线或线圈的周围都存在磁场,如图(a)中,导线A内通有电流I,导线周围存在磁场,用一系列同心圆磁力线表示,为防止该磁场对邻近元件B的干扰,可采用高导磁率的材料将B包围起来,使磁力线聚集于屏蔽体内,从而使敏感元件B得到保护,如图 (b)所示。
由于磁屏蔽材料的导磁率比空气的导磁率大数十倍及至数千倍,磁力线绝大部分集中在屏蔽层内通过,使元件B免受干扰。
磁场屏蔽不同于电场屏蔽,屏蔽体不接地不会影响屏蔽效果,但是由于磁屏蔽材料也对电场起一定的屏蔽作用,故其通常也接地。

3、电磁屏蔽
电磁屏蔽是防止交变电磁场感应和辐射干扰的有效方法。
电磁场分交变电场、交变磁场和交变电磁场三种,对三种场的屏蔽原理和方法是不同的。
1). 交变电场屏蔽
交变电场屏蔽的原理是用接地良好的金属屏蔽体将场源产生的交变电场限制在一定空间内,从而阻断了干扰源到敏感电路之间的电场传播路径。
2). 交变磁场屏蔽
交变磁场的屏蔽有高频磁屏蔽和低频磁屏蔽之分。低频磁屏蔽原理和静磁屏蔽相同,典型的应用是继电器的封装壳、电源变压器的外套盒、滤波器的封装壳等。高频磁屏蔽是利用屏蔽体产生的涡流的反磁场,抵消干扰磁场,以此原理来实现屏蔽。因此高频磁屏蔽采用高导电率的材料,如铜、铝等,典型的应用是收音机中的中周变压器。
3). 交变电磁屏蔽
电磁屏蔽是用屏蔽体阻止高频辐射电磁波在空间传播的技术措施,屏蔽体起着切断或削弱电磁波传输的作用。
当交变电磁场通过金属材料屏蔽体时,金属材料会产生感应电势形成涡流,这涡流产生的磁场可以抵消一部分原来的磁场,从而起来屏蔽作用。涡流越大,屏蔽作用越强,因此屏蔽材料导电率越大,屏蔽性能越好。电磁场频率越高,屏蔽作用越强。
十五、电磁兼容实施
电源供电:由于很多电磁干扰都是通过电源耦合到电子设备中的,所以在系统供电上做专门的电磁兼容性设计。增加有效的变压、稳压、滤波电路,使用高效率的开关电源芯片和稳压滤波效果很好的低压差线性电源芯片为系统提供稳定可靠的电源。
2.使用去耦电容:每个集成电路的电源,地之间都加一个去耦电容。去耦电容有两个作用:一方面是本集成电路的蓄能电容,提供和吸收该集成电路开门关门瞬间的充放电能;另一方面旁路掉该器件的高频噪声。
3.地线分隔:采用4层电路板设计以减小电源,地的寄生电感,有效增强系统的EMC性能。单独的电源层和地层可以有效防止器件之间通过地线和电源的相互耦合,另外对于有不同性质的地线采用分割隔离的方法,使不同属性的地线的电流走不同的路径,可防止信号串扰。
通信接口:系统的485、232、USB等通讯接口外接线缆,且与外部设备有直接联系,所以也易于受到各种电磁干扰,为了增强这些通讯接口的抗扰能力,在通讯信号线上串连磁珠和并联压敏电阻,以及滤波电容;
另外,为了增强抗扰度,同时降低骚扰度,在布置PCB板时要遵循以下原则:
1.石英晶体振荡器尽量靠近到用该时钟的器件,时钟线尽量短,外壳要接地,用地线将时钟区圈起来。
石英晶体下面以及对噪声敏感的器件下面不要走线。
2.I/O驱动电路尽量靠近印刷板边,让其尽快离开印刷板。对进入印制板的信号要加滤波,从高噪声区来的信号也要加滤波,同时用串终端电阻的办法,减小信号反射。
3.MCU无用端要接高,或接地,或定义成输出端,集成电路上该接电源地的端都要接,不要悬空。闲置不用的门电路不要悬空。
4.印制板尽量使用45折线而不用90折线布线以减小高频信号对外的发射与耦合。
5.正确选择单点接地与多点接地。在低频电路中,信号的工作频率小于1MHz,它的布线和器件间的电感影响较小,而接地电路形成的环流对干扰影响较大,因而应采用一点接地。当信号工作频率大于10MHz时,地线阻抗变得很大,此时应尽量降低地线阻抗,应采用就近多点接地。当工作频率在1~10MHz时,如果采用一点接地,其地线长度不应超过波长的1/20,否则应采用多点接地法。
6.将数字电路与模拟电路分开。电路板上既有高速逻辑电路,又有线性电路,应使它们尽量分开,而两者的地线不要相混,分别与电源端地线相连。要尽量加大线性电路的接地面积。
7.尽量加粗接地线。若接地线很细,接地电位则随电流的变化而变化,致使电子设备的定时信号电平不稳,抗噪声性能变坏。因此应将接地线尽量加粗,使它能通过三倍于印制电路板的允许电流。如有可能,接地线的宽度应大于3mm。
8.将接地线构成闭环路。设计只由数字电路组成的印制电路板的地线系统时,将接地线做成闭环路可以明显的提高抗噪声能力。其原因在于:印制电路板上有很多集成电路组件,尤其遇有耗电多的组件时,因受接地线粗细的限制,会在地结上产生较大的电位差,引起抗噪声能力下降,若将接地结构成环路,则会缩小电位差值,提高电子设备的抗噪声能力。
9.选择合理的导线宽度。由于瞬变电流在印制线条上所产生的冲击干扰主要是由印制导线的电感成分造成的,因此应尽量减小印制导线的电感量。印制导线的电感量与其长度成正比,与其宽度成反比,因而短而精的导线对抑制干扰是有利的。时钟引线、行驱动器或总线驱动器的信号线常常载有大的瞬变电流,印制导线要尽可能地短。对于分立组件电路,印制导线宽度在1.5mm左右时,即可完全满足要求;对于集成电路,印制导线宽度可在0.2~1.0mm之间选择。
10.采用正确的布线策略。采用平等走线可以减少导线电感,但导线之间的互感和分布电容增加,如果布局允许,最好采用井字形网状布线结构,具体做法是印制板的一面横向布线,另一面纵向布线,然后在交叉孔处用金属化孔相连。 为了抑制印制板导线之间的串扰,在设计布线时应尽量避免长距离的平等走线。